20. Programmable Logic Device: PLD
PLD는 프로그램 가능 논리 소자라고도 불리는데, 프로그램을 통해 기능을 바꿀 수 있는 소자이다. 이를 통해 기판의 회로를 바꾸지 않고 소프트웨어만 업데이트해서 다양한 동작을 수행할 수 있다.
PLD에는 다양한 종류가 있는데, 아래와 같다.
- Programmable Logic Arrays (PLAs)
- Programmable Array Logics (PALs)
- Complex Programmable Logic Devices (CPLDs)
- Field Programmable Gate Arrays (FPGAs)
PAL과 PLA는 거의 비슷하며, FPGA는 가장 자유롭게 수정 가능한 PLD이다.
Programmable Logic Array: PLAs
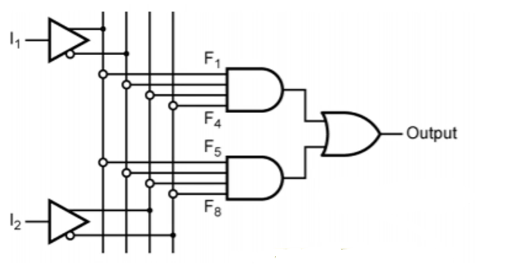
ROM과 거의 같다. n개의 입력과 m개의 출력을 갖는데, n개의 변수에 대한 m개의 함수를 갖는다고 생각해도 된다.
AND 배열과 OR 배열의 구조를 갖는데, AND 배열을 통해 논리곱을 구할 수 있고, OR배열로 이들의 논리합을 구할 수 있다. 이 때문에 PLA는 SOP를 구현하는데 이상적인 구조이다.

Programmable Array Logic: PALs
PAL는 PLA의 변형이다.
AND부분이 프로그램 가능하고 OR부분이 고정된, PLA와는 반대의 특성을 갖는다. PLA에 비해 싸고 프로그램하기 쉽다는 장점이 있다.

Complex Programmable Logic Device: CPLDs
많은 PLA나 PAL들을 한 칩에 집적해놓은 것을 의미한다.PLA(혹은 PAL)간의 관계마저도 프로그래밍 가능하기에, 더욱 자유로운 커스텀을 지원한다.
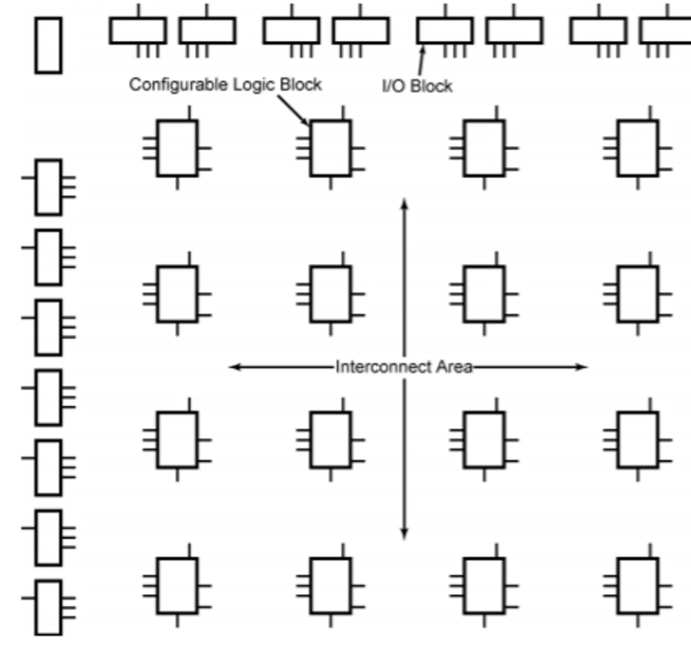
Field Programmable Gate Array (FPGAs)
Logic Cell간의 산호연결로 구성된 회로이다. Logic cell은 Configurable Logic Block(CLBs)이라고도 불리는데, 역시 프로그래밍 가능하다.
Logic Cell간의 상호연결 또한 프로그램 가능하고, 이 CLB들은 I/O 블럭으로 둘러싸인 구조를 갖는다.

'학부 수업 > 디지털시스템' 카테고리의 다른 글
| 22. 유한 상태 기계 (Finite State Machine) (0) | 2020.06.26 |
|---|---|
| 21. 플립 플롭과 래치 (Flip Flops and Latchs: Sequential Logic) (0) | 2020.06.26 |
| 19. Read-Only Memories: ROM (0) | 2020.05.24 |
| 18. 3 상태 버퍼 (Tristate Buffer) (0) | 2020.05.24 |
| 17. Verilog HDL로 순차회로 설계하기 (Sequential Circuit) (0) | 2020.05.23 |
댓글
이 글 공유하기
다른 글
-
22. 유한 상태 기계 (Finite State Machine)
22. 유한 상태 기계 (Finite State Machine)
2020.06.26 -
21. 플립 플롭과 래치 (Flip Flops and Latchs: Sequential Logic)
21. 플립 플롭과 래치 (Flip Flops and Latchs: Sequential Logic)
2020.06.26 -
19. Read-Only Memories: ROM
19. Read-Only Memories: ROM
2020.05.24 -
18. 3 상태 버퍼 (Tristate Buffer)
18. 3 상태 버퍼 (Tristate Buffer)
2020.05.24